服务热线:021-64133096

湿式除尘系统
在工业除尘领域中,我司自主研发的“庆权系列组合式烟尘净化器”产品。广泛应用在激光切割、焊接、打磨、抛光等生产工艺中,有效及时的清除上述工艺生产过程中所产生的粉尘、烟尘颗粒。

▲ 除尘塔实物图
█ █ 庆权系列组合式烟尘净化器 ———
FSW系列湿式除尘系统主要包含除尘塔(塔体、水泵箱、水箱)、风机、控制电柜三部分组成,是具有有效过滤、低能耗、安全可靠的工业除尘系统。

▲ 除尘塔结构
◆ 出风除雾层

▲ 除尘塔结构
内部挡水板与填料层过滤水汽, 实现气、水分离, 保证除尘效率。
◆ 过滤层

▲ 除尘塔结构
灰尘与喷淋水雾结合,吸收水分质量增大,粘附于填料上,使排除的空气清新,并长时间保证循环水质。
◆ 进风降温层

▲ 除尘塔结构
高温烟尘进入塔体,与喷淋系统产生的烟雾结合,降温并进行初次过滤。
◆ 塔体支撑结构

▲ 除尘塔结构
采用加厚锻锌钢板作为主体支撑,底部柱脚底板可直接地脚螺栓固定方便设备安装。
◆ 喷淋系统

▲ 除尘塔结构
喷淋水泵放于泵箱内,避免水泵雨淋;循环水箱分三层过滤保证水泵进口水质,并可自由移动,处理水箱废水更加方便。
█ █ 湿式除尘器特点 ———————

▲ 除尘塔原理
◆ 系统安全可靠
过滤器除尘同时降温处理,安全地捕集和中和易燃易爆物,避免高温安全隐患,能够吸收含尘气体中的各种有害成分,特别适宜处理高温、高湿、易燃、易爆的含尘气体,被广泛应用于工业生产各工艺的空气污染控制和气体净化。
◆ 能耗低
? 压降与电机功率低,使用过程中,无压阻增大情况,节能系数 高。
?喷淋系统介质可循环使用,运行成本低。
◆ 维护保养简单
? 定期排放除尘杂质,可将污水晾晒,进行固废处理。
? 保养简单,极易维护。
◆ 高过滤效率
? FSW除尘器在设计上采用圆形塔体,进风流速均匀、风力阻力小。
? 气、水分离干净,风机不带水。
? 双层过滤,可有效过滤含尘气体。
? 过滤效果稳定,不受时间与环境影响,前期与后期排放效果—样。

◆ 价格优势
? 高温气体能被经济地用水冷却进而被洗涤。
? 湿式除尘器在初始投资上比相应的袋式除尘器或静电除尘器一般要便宜。
◆ 性能优势
? 能通过同一个设备捕集气态和颗粒污染物并 能减少气味。
? 能安全地捕集和中和许多易燃易爆物。
◆ 处理量大
? 能处理许多粘性的或者吸湿性的物质
◆ 体积优势
? 湿法捕集系统比干法捕集系统一般结构更加紧凑,占地较少。
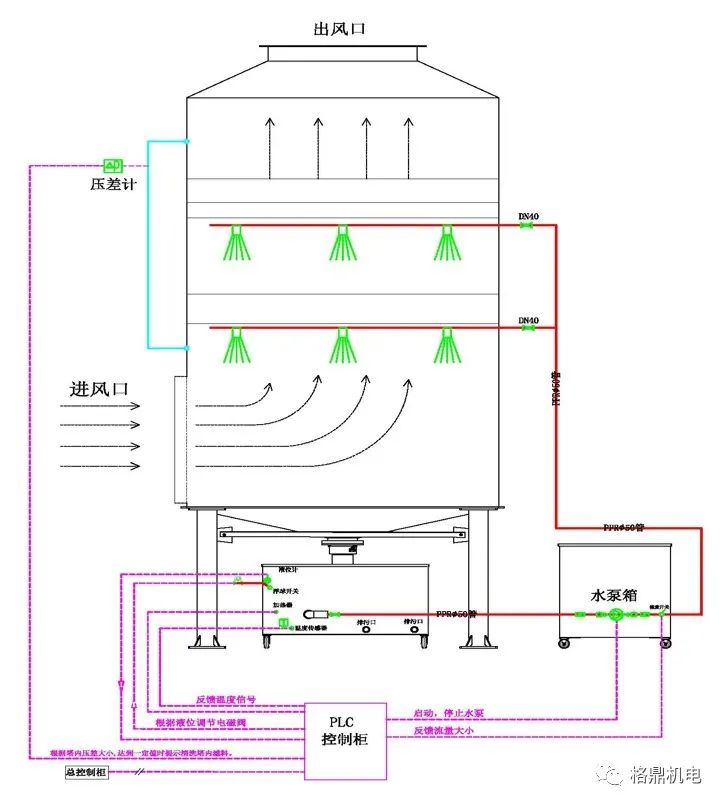
█ █ 先进成熟的控制系统 ——————

● 实时查询 ● 远程监控 ● 数据分析
● 故障报警 ● 设备运维
◆ 概述
随机配备的PLC控制器可以方便有效的实现除尘设备所要求的各项功能,并且帮助功能模块达到良好的节能效果。
◆ 稳定的系统
支持多种通讯协议,可提供RS485(modbus-RTU)接口,预留通讯模块及物联网模块接口。
◆ 精确的反馈
压差传感器、电流传感器、温度传感器等,可将运行状态反馈。人性化界面,使系统操作运行更加直观稳定。
◆ 合理有效运行
可以根据用户需求进行温度设定,自动调节系统运转状态,使机组更有效运行,而且更稳定。
除尘器模块化设计可以根据用户不同工况进行组合,为客户提供更方便、灵活的选择,为企业创造更好效益。
返回顶部